|
1850年2月5日 首台按键式计算器获得专利新华网 2016-08-09 |

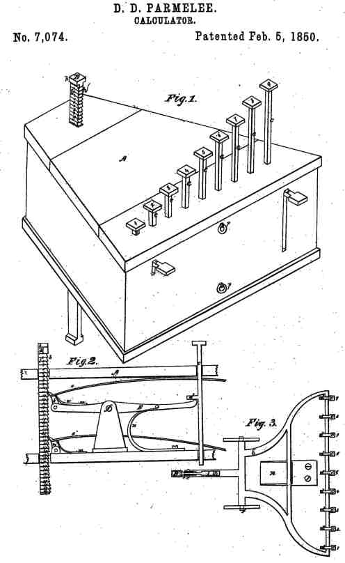
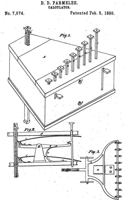
Dubois D. Parmelee为按键式计算器申请了专利,并于1850年2月5日获批。
1642年,法国数学家、物理学家和思想家帕斯卡发明加法器,这是人类历史上第一台机械式计算机,其原理对后来的计算机械产生持久的影响。1673年,德国数学家莱布尼兹发明乘法机,这是第一台可以运行完整的四则运算的计算机。莱布尼兹同时还提出了“可以用机械代替人进行繁琐重复的计算工作”的伟大思想,鼓舞着人们探求新的计算机。
最早提出按键设计的应该是美国的一个牧师托马斯·希尔(Thomas Hill)。他的同事Dubois D. Parmelee为计算器申请了专利并于1850年2月5日获批。Parmelee因此成为了美国按键式计算器的前驱,并为后来计算器的发展奠定了基础。
这款按键式计算器有1~9个数字按键,由高到低依次排列。不幸地是,这款计算器的实物并没有被保存下来,人们只能通过专利说明来了解它的构造。
责任编辑:lijia
科普中国APP
科普中国微信
科普中国微博

最新文章
-
为何太阳系所有行星都在同一平面上旋转?
新浪科技 2021-09-29
-
我国学者揭示早期宇宙星际间重元素起源之谜
中国科学报 2021-09-29
-
比“胖五”更能扛!我国新一代载人运载火箭要来了
科技日报 2021-09-29
-
5G演进已开始,6G研究正进行
光明日报 2021-09-28
-
“早期暗能量”或让宇宙年轻10亿岁
科技日报 2021-09-28
-
5G、大数据、人工智能,看看现代交通的创新元素
新华网 2021-09-28








